Trimite-ti-ne un e-mail
Produse
Supapă de comutare pneumatică tac
  • Supapă de comutare pneumatică tacSupapă de comutare pneumatică tac

Supapă de comutare pneumatică tac

În calitate de fabricare profesională, OLK ar dori să vă ofere supapă de comutare pneumatică TAC. Și OLK vă va oferi cel mai bun serviciu după vânzare și livrare în timp util.

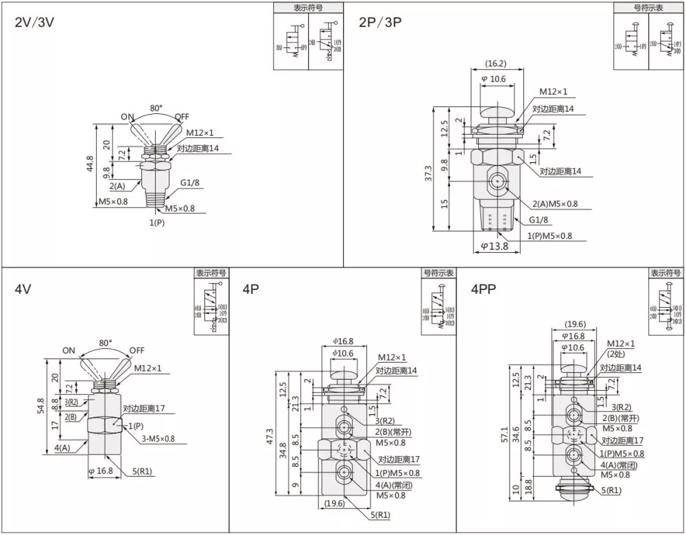
Supapa de comutare pneumatică TAC (cunoscută și sub denumirea de supapă de comutare) este o componentă de comutare de precizie special concepută pentru sistemele pneumatice și controlul fluidului. Cu structura sa unică de control de tip comut, realizează comutarea rapidă și controlul precis al căilor fluide.

Supapa de comutare din seria TAC are 2 poziții 2, 2 poziții 3 căi și 2 poziții 5 pot fi alese. Un tip de tip de pârghie și două tipuri de tip: M5, G1/8.

Scenarii de aplicație

Echipamente de automatizare industrială, prelucrare mecanică, procesare a materialelor de construcție, energie și minerit, industria alimentară și a băuturilor, echipamente medicale etc.

Caracteristici ale produsului

Are dimensiuni mici, necesită un spațiu de instalare puțin și este intuitiv pentru a funcționa manual, ceea ce îl face potrivit pentru scenarii care necesită comutare frecventă.

Simbolul și conturul supapei de comutare TAC

Cod de odare

Tac

2

__

2

P

 

 

 

 

 

Valva de comutare a seriei TAC

 

 

2: 2Position 2 Way (M5)

P: Tip buton de împingere-pull

 

 

 

3: 2 Poziția 3 Way (M5)

V: Tip de manetă de mână

 

 

 

4: 2 Powition 5 Way (M5)

PP: buton dublu împingere

 

 

 

31: 2 Poziția 3 Way (G1/8)

 

 

 

 

41: 2 Powition 5 Way (G1/8)

 

 

Model

Dimensiunea portului

 

Număr
de poziție

Eficient  
Zona transversală

Interval de presiune

Fluid de lucru

Ambient
Temperatură

 

TAC-2V

Intrare = ieșire = m5   

2 Poziția 2 căi

1,9 mm²

0,05 ~ 0,9ppa

Aer

0 ~ 60

TAC-2P

Intrare = ieșire = m5   

2 Poziția 2 căi

1,9 mm²

TAC-3V

Intrare = ieșire = m5   

2 Poziția 3 căi

1,9 mm²

TAC-3P

Intrare = ieșire = m5   

2 Poziția 3 căi

1,9 mm²

TAC-4V

Intrare = ieșire = m5   

2 Poziția 5 căi

1,9 mm²

TAC-4P

Intrare = ieșire = m5   

2 Poziția 5 căi

1,9 mm²

4 pp

G1/8

 

2 Poziția 5 căi

4.5mm²

TAC2-31V

Intrare = ieșire = evacuare = g1/8   

2 Poziția 3 căi

4.5mm²

TAC2-31p

Intrare = ieșire = evacuare = g1/8   

2 Poziția 3 căi

4.5mm²

TAC2-41V

Intrare = ieșire = g1/8 evacuare = m5

2 Poziția 5 căi

4.5mm²

TAC2-41p

Intrare = ieșire = g1/8 evacuare = m5

2 Poziția 5 căi

4.5mm²

TAC2-41PP

Intrare = ieșire = g1/8 evacuare = m5

2 Poziția 5 căi

4.5mm²

Întrebări frecvente:

Care este diferența dintre supapa de comutare și supapa mecanică?

Poate fi distincția supapei de comutare și a supapei mecanice după tipul de control: supapa de comutare este tipul de reținere a manetei, robinetul mecanic este tipul butonului împingător sau tipul de role

 

Care este diferența dintre supapa de comutare și alte supape?

Control precis: supapele de comutare obțin o reglare a debitului fin printr-un miez conic de supape, care este potrivit pentru un control precis în conductele cu diametru mic, în timp ce supapele cu bilă sunt mai potrivite pentru operațiuni de deschidere rapidă și închidere.

Hot Tags: Valvă de comutare pneumatică TAC, China, producător, furnizor, fabrică
Trimite o anchetă
Informatii de contact
Bine ati venit pe site-ul nostru! Pentru întrebări despre produsele noastre sau lista de prețuri, vă rugăm să ne lăsați e-mailul și vă vom contacta în 24 de ore.
E-mail
cici@olkptc.com
Mobil
+86-13736765213
Abordare
Drumul Zhengtai, Zona industrială Xinguang, Liushi, Yueqing, Wenzhou, Zhejiang, China.
X
Folosim cookie-uri pentru a vă oferi o experiență de navigare mai bună, pentru a analiza traficul site-ului și pentru a personaliza conținutul. Prin utilizarea acestui site, sunteți de acord cu utilizarea cookie-urilor. Politica de confidențialitate
Respinge Accepta