Trimite-ti-ne un e-mail
Produse
Unitate SMC tip AC FRL
  • Unitate SMC tip AC FRLUnitate SMC tip AC FRL
  • Unitate SMC tip AC FRLUnitate SMC tip AC FRL
  • Unitate SMC tip AC FRLUnitate SMC tip AC FRL

Unitate SMC tip AC FRL

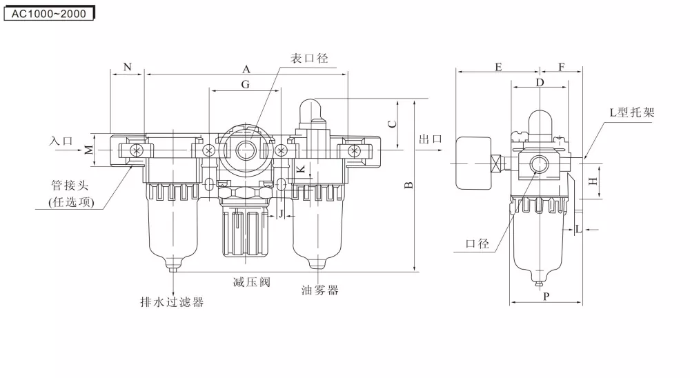
Model:AC2000-02
Unitatea SMC tip AC FRL (filtru-regulator-lubricator) este o componentă fundamentală pneumatică care integrează filtrarea sursei de aer, reducerea și reglarea presiunii și tratamentul de lubrifiere. Oferă aer comprimat curat, stabil și lubrifiat pentru sistemele pneumatice, extinzând astfel durata de viață a componentelor pneumatice și îmbunătățind stabilitatea sistemului. Unitatea FRL din seria OLK AC acționează ca „gardianul” esențial al sistemelor pneumatice moderne.
  • Brand:

    OLK
  • Type:

    SMC TYPE AC SERIES
  • Port size:

    PT1/8 ; PT1/4 ; PT3/8 ; PT1/2 ; PT3/4 ; PT1
  • Filter Material:

    Copper filter

Caracteristici și design al unității de tip SMC AC FRL:

Ajustare cu autoblocare: Dispune de un mecanism de autoblocare prin presiune. Odată ce presiunea dorită este setată, pur și simplu împingeți butonul în jos pentru a o bloca. Acest lucru previne modificarea presiunii setate din cauza vibrațiilor externe sau a contactului accidental.

Drenaj versatil: Disponibil atât în ​​opțiunile de scurgere manuală, cât și în opțiunile de scurgere automată, pentru a se potrivi diferitelor condiții de operare. Vasul transparent permite monitorizarea ușoară a nivelului apei.

Manometru de înaltă precizie: Echipat cu un manometru de înaltă precizie pentru citiri clare și precise și monitorizare în timp real a presiunii sistemului.

Unitate SMC tip AC FRL Notă:

Verificați direcția fluxului: Vă rugăm să verificați direcția fluxului de aer înainte de instalare! Există semne de direcție a fluxului (săgeți sau IN/OUT) pe partea superioară a corpului supapei. Urmați cu strictețe acești indicatori pentru instalare. Instalarea inversă va cauza defecțiuni sau scurgeri.

Întreținere regulată: Verificați regulat nivelul apei din vas și scurgeți-l dacă utilizați un tip de scurgere manuală. Umpleți uleiul de lubrifiere când este scăzut (se recomandă ulei pentru turbine ISO VG32).

Tip SMC AC FRL Simbol unitate:

Cod de comandă

AC

2000

-

02

-

D

Cod de serie

Dimensiunea cochiliei

 

Dimensiunea portului:

 

Metoda de scurgere

AC: Unitate FRL de tip SMC AC

1000

 

M5:M5

 

Gol: drenaj manual

 

2000

 

02:1/4

 

A: Drenaj cu presiune diferențială

 

3000

 

03:3/8

 

D: Golire automată

 

4000

 

04:1/2

 

 

 

5000

 

06:3/4

 

 

 

 

 

10:1

 

 

 

Presiunea de probă

1,5 Mpa (15,3 kgf/cm³)

Max.Presiune de lucru

1.0Mpa (10.2kgf/cm³)

Mediul și temperatura fluidului

5-60℃

Diafragma filtrului

5μm

Ulei

ISOVG32

Materiale pentru cupe

PC

Glugă de cupă

AC1000-2000(Fără) AC3000-5000 (CU)

Interval de reglare a presiunii

AC1000: 0,05-0,7 Mpa (0,51-7,1 kgf/cm³)

AC2000-5000:0,05-0,085 Mpa (0,51-8,7 kgf/cm³)

Seria orificii manometru


seria 2000

seria 3000

seria 4000

seria 5000

AW

1/8

1/4

AC

BR

1/4

-

BFC

-

Pașii de instalare pentru unitatea SMC tip AC FRL:

Mai întâi, instalați îmbinările cu bandă PTFE învelită și manometrul

2. Urmați direcția săgeții: partea stângă este admisia de aer, iar partea dreaptă este orificiul de evacuare a aerului

3. Conectați tuburile de aer la fitingurile respective la ambele capete

4. Ridicați piulița de reglare a presiunii în sus și rotiți-o pentru a regla presiunea; rotirea în sensul acelor de ceasornic crește debitul de aer, în timp ce rotirea în sens invers acelor de ceasornic scade debitul de aer

5. Reglați la presiunea dorită a aerului, apoi apăsați piulița de reglare în jos pentru a bloca aerul

6. Dacă este nevoie de combustibil, slăbiți șurubul de la ulei

7. Turnați ulei de întreținere pneumatică sau ulei de turbină în orificiul de admisie a uleiului (asigurați-vă că uleiul pneumatic nu depășește linia de nivel al uleiului indicată pe cupă)

8. După umplerea uleiului pneumatic, strângeți piulița cu o cheie hexagonală

9. Reglați alimentarea cu ulei prin rotație: în sensul acelor de ceasornic crește debitul de ulei, în sens invers acelor de ceasornic îl scade


Tip de scurgere

Principiul de lucru

Mediul de aplicare

Avantaje

Dezavantaje

Drenaj manual

Apa acumulată în vasul filtrului este evacuată prin rotirea manuală sau apăsarea la intervale regulate a supapei de evacuare. Dacă drenajul este complet depinde în întregime de operarea manuală.

Sisteme simple sau aplicații cu cerințe rare de drenaj.

Structură simplă, rată scăzută de eșec, nu necesită întreținere suplimentară.

Se bazează pe operarea manuală; ușor de uitat de scurgere. Acumularea excesivă de apă poate afecta performanța de filtrare.

Drenaj cu presiune diferențială

Utilizează diferența de presiune înainte și după filtru. Când acumularea de condens crește și diferența de presiune atinge o valoare prestabilită, scurgerea se deschide automat. Se închide din nou odată ce diferența de presiune revine la normal. Funcționează numai când există presiune și debit de aer.

Medii cu alimentare stabilă cu aer și condiții simple de funcționare, în care operarea manuală nu este convenabilă.

Nu este necesară alimentarea cu energie. Drenaj automat, mai fiabil decât scurgerea manuală.

Necesită presiune stabilă a aerului. Performanța de drenaj este limitată în timpul opririlor lungi sau când nu există o diferență de presiune.

Scurgere automată

Utilizează un mecanism de plutire sau un cronometru. Când condensul atinge un anumit nivel, scurgerea se deschide automat

Linii și sisteme automate de producție cu cerințe ridicate de calitate a aerului comprimat.

Performanță de drenaj cea mai oportună și stabilă.

Cost relativ mai mare.


Întrebări frecvente:

De ce se numește AC FRL?

AF (filtru de aer) + AR (supapă de reglare a presiunii) + AL (lubrifiator pentru ceață de ulei) = Unitate triplă AC


Metoda de conectare recomandată

Compresor de aer -- Procesor sursă de aer -- Componentă de control -- Actuator


Ce ar trebui să fac dacă capacul de protecție al paharului de plastic se rupe adesea cu ușurință?

Unii clienți constată adesea că paharele de plastic crapă nu din cauza presiunii, ci din cauza materialului. Paharele din plastic nu sunt rezistente la anumite medii, facand paharele metalice o alternativa mai buna in conditii specifice


Cum se prelungește durata de viață a cilindrilor de supapă solenoidală?

Folosirea unui filtru poate elimina umezeala și impuritățile din aer, reducând eficient deteriorarea prin frecare a pistoanelor și a inelelor de etanșare. Un lubrifiant poate fi folosit pentru a adăuga ulei de turbină, care este apoi transportat de aer pentru a lubrifia pistonul cilindrului și inelele de etanșare. Regulatorul de presiune poate regla presiunea aerului de admisie, îmbunătățind și mai mult eficiența muncii


Din ce material este fabricat elementul filtrant pentru OLK?

OLK folosește elemente filtrante din cupru cu o precizie de filtrare de 25μm, în timp ce elementele filtrante obișnuite din fibră au o precizie de numai 5μm. Elementele de filtrare de înaltă precizie pot elimina eficient impuritățile și umezeala din gaz, asigurându-se că aerul de ieșire este uscat și lipsit de contaminanți


Hot Tags: Unitate SMC tip AC FRL, China, producător, furnizor, fabrică
Trimite o anchetă
Informatii de contact
Bine ati venit pe site-ul nostru! Pentru întrebări despre produsele noastre sau lista de prețuri, vă rugăm să ne lăsați e-mailul și vă vom contacta în 24 de ore.
E-mail
cici@olkptc.com
Mobil
+86-13736765213
Abordare
Drumul Zhengtai, Zona industrială Xinguang, Liushi, Yueqing, Wenzhou, Zhejiang, China.
X
Folosim cookie-uri pentru a vă oferi o experiență de navigare mai bună, pentru a analiza traficul site-ului și pentru a personaliza conținutul. Prin utilizarea acestui site, sunteți de acord cu utilizarea cookie-urilor. Politica de confidențialitate
Respinge Accepta